메이커 이야기/아두이노
2020. 2. 2.
[아두이노 RGB] 아두이노 Color 컨트롤러 만들기_EP3
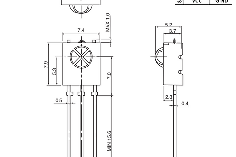
◎ 아두이노 RGB 제어하기 RGB 센서를 활용해서 다양한 색들을 표현해보도록 하겠습니다. 1. RGB 센서 ○ 사용 부품 1) 아두이노 UNO 2) RGB 3) 220옴 저항 (모듈 사용시 필요없음) ○ 회로 연결 ○ 적용 코드 void setup() { pinMode(9,OUTPUT); //RED pinMode(10,OUTPUT); //BLUE pinMode(11,OUTPUT); // GREEN } void loop() { digitalWrite(9,HIGH); digitalWrite(10,LOW); digitalWrite(11,LOW); delay(1000); digitalWrite(9,LOW); digitalWrite(10,HIGH); digitalWrite(11,LOW); delay(1000);..